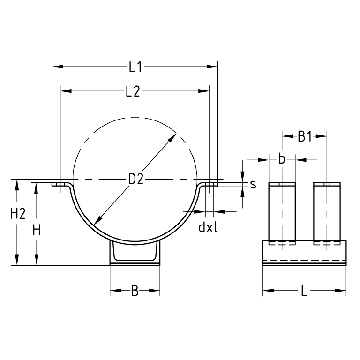
Patin type UPG-2

en profilé U selon DIN 1026

Choisissez une variante pour plus d'informations, d'images et de documents.

Applications

  • Patin coulissant en profilé U acier
  • Version pour deux colliers tuyauterie frigorifique type 170 EX

Avantages

  • Deux épaisseurs disponibles
  • Plaque polyamide coulissante pour une faible résistance au coulissement
  • Galvanisé à chaud (d'autre revêtements disponible sur demande)
  • Patin coulissant également disponibles avec le collier soudé à 45° (précisez à la commande)
Type de produit
Patin
eCl@ss 7.1
23-35-01-90
eCl@ss 11.1
23-35-01-90
Pour plus de détails techniques, consultez la fiche technique.