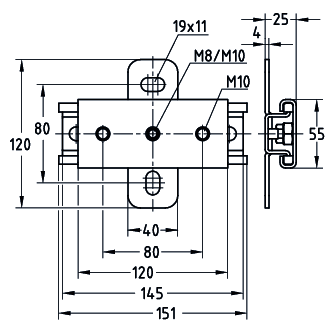
Curseur à glissière 2,3 kN

inox

Afficher liste de variantes
Choisissez une variante pour plus d'informations, d'images et de documents.

Applications

  • Pour le traitement de la dilatation due à des variations de températures
  • Pour le supportage de tubes en suspension, au sol ou mural avec une console rail
  • Support coulissant pour les tubes suspendus ou en colonne
  • Montage en croix pour une dilatation bilatérale

Avantages

  • Conception spéciale pour encombrement réduit
  • Grande longueur de coulissement pouvant atteindre 76 mm
  • Grande souplesse d’utilisation par triple possibilité de fixation des colliers
  • Suivant les cas, monter un ou deux colliers
Type de produit
Supports coulissants
eCl@ss 11.1
23-05-01-01
eCl@ss 7.1
23-05-01-01
Pour plus de détails techniques, consultez la fiche technique.