Selecteer een variant voor meer informatie, afbeeldingen en documenten.

Toepassing

  • Toepasbaar voor leidingen met dynamische belastingen in combinatie met glijbevestigingen
  • Geschikt voor de bevestiging van industriële leidingen
  • Voor de bevestiging van leidingen in de installatiebranche
  • Bevestiging van leidingen voor binnenmontage

Uw voordelen

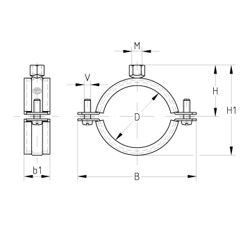
  • Geteste tweedelige schroefbuisklem
  • Door twee sluitbouten betere aanpassing aan grotere toleranties van de leidingdiameters
  • Geluidsontkoppelende inlegstrip DÄMMGULAST® inlegstrip met blauwe herkenningsstrepen, Brandklasse B1 volgens DIN 4102, geen afdruiping bij brand
  • Geluidsniveauverbetering gemiddeld 16,5 dB(A)
  • Sluitbouten met kruissleufkop
  • Sluitbouten met anti verlies schijfjes beveiligd
  • Stabiele uitvoering met hoge belastbaarheid door de versterkingsrand
  • Voorgevormde geluidgedempte inlegstrip met brede rand verhindert het schuiven van de inlage uit de buisklem
  • Dit product werd onderscheiden met het "Gütezeichen Rohrbefestigung" tot een maat ≤ 200 mm en valt onder externe controle overeenkomstig RAL-GZ 655-B
Producttype
Beugels voor gemiddelde bevestigingen
Geluidsdempende inlegstrip
DÄMMGULAST® blauw
Oppervlakte
gegalvaniseerd
eCl@ss 7.1
23-14-02-90
eCl@ss 11.1
23-14-02-90
Geluiddempingswaarde gemiddeld
16,5 dB(A)
Meer technische details zijn te vinden in het gegevensblad.