Nieuw

Steunhuls

art.nr.: 181090
Verp.eenheid: 1 stuk
Gewicht/Eenh.: 0,220 kg
stuk

Toepassing

  • Versterking van draadstiften in toepassingen met glijsleeën
  • Versterking van draadstiften in vastpunttoepassingen
  • Kan worden gebruikt met draadeinden M10 en M12

Uw voordelen

  • Perfecte aanvulling voor glijsleeën 2,3 kN: zorgt voor een aanzienlijk verbeterde krachtoverbrenging en stabiliteit
  • Ook combineerbaar met het leidingvastpunten 27 dB(A)
  • Hoge draagkracht bij compacte constructie
  • Vermindering van de buigbelasting
  • Zonder binnendraad voor veelzijdige toepassingsmogelijkheden
Producttype
Toebehoor vastpunten en glijbevestigingen
Oppervlakte
gegalvaniseerd
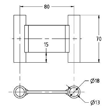
Hoogte
70 mm
Buitendiameter
18 mm
Binnendiameter
13 mm
Douanetariefnummer
73259910
Meer technische details zijn te vinden in het gegevensblad.